

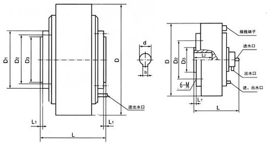
規格型號  |             額定轉矩Nm  |             額定電流A  |             滑差功率Kw  |             磁粉用量g  |             冷卻方式  |             外形尺寸  |             空心軸尺寸  |             法蘭式聯接尺寸  |         |||||||
D  |             L  |             d(h)  |             b  |             L1  |             D3(h)  |             D2  |             D1  |             M  |             L2  |         ||||||
CZK-2.5  |             25  |             0.8  |             0.35  |             40  |             雙側散熱筋  |             185  |             80  |             25  |             8  |             2.5  |             90  |             105  |             120  |             6  |             6  |         
CZK-5  |             50  |             0.8  |             0.5  |             60  |             雙側散熱筋  |             200  |             104  |             30  |             8  |             6  |             100  |             115  |             133  |             8  |             8  |         
CZK-10  |             100  |             1.2  |             3  |             120  |             定子水冷雙側散熱筋  |             270  |             121  |             40  |             12  |             8  |             135  |             182  |             236  |             10  |             10  |         
CZK-20  |             200  |             2.5  |             5  |             200  |             定子水冷  |             300  |             136  |             45  |             14  |             5  |             180  |             220  |             250  |             10  |             10  |         
CZK-40  |             400  |             2.2  |             7  |             380  |             定子水冷  |             380  |             190  |             50  |             14  |             5  |             165  |             195  |             220  |             10  |             10  |         
CZK-50  |             500  |             2.5  |             8  |             400  |             定子水冷  |             400  |             156  |             62  |             18  |             6  |             200  |             240  |             330  |             12  |             12  |         
CZK-63  |             630  |             2.5  |             9  |             500  |             定子水冷  |             400  |             156  |             62  |             18  |             6  |             200  |             240  |             330  |             12  |             12  |         
CZK-100  |             1000  |             2.5  |             18  |             1000  |             單雙水冷  |             480  |             390  |             60  |             18  |             6  |             185  |             343  |             385  |             12  |             100  |         
CZK-200  |             2000  |             3  |             30  |             1800  |             單雙水冷  |             570  |             435  |             75  |             20  |             8  |             200  |             433  |             490  |             12  |             110  |         
CZK-500  |             5000  |             3  |             45  |             4200  |             單雙水冷  |             776  |             525  |             90  |             25  |             8  |             250  |             586  |             640  |             12  |             140  |         
空心軸法蘭式磁粉制動器概述
水冷的磁粉制動器、離合器運轉后即通水(水壓不大于1.5/cm2)出水口不得有壓力。轉子帶水冷的磁粉制動器,在出水口的里端有一小滴水孔,如發現滴水應及時更換同型號的水封,切勿堵塞。自然冷卻或風冷的制動器、離合器、表面溫度不得超過80攝氏度。可用風扇或鼓風機強迫冷卻。如余量大、轉速低、表面溫度低可不通水。
空心軸法蘭式磁粉制動器特性
空心軸法蘭式磁粉制動器的輸出轉矩大致和勵磁電流成正比,在額定電流和額定轉矩范圍內有較好的線性關系。轉矩控制的范圍廣,控制的精度高,能用簡單方法來實現轉矩的大范圍調整和精密微調,通過調節控制電流就能十分方便的調節輸出轉矩,控制功率小(約為輸出功率的%左右),輸出轉矩大(可達數萬,為簡化控制方式提供了方便。因此,同樣的使用功能下,具有較簡單的結構和較低的成本。







.jpg)
蘇公網安備 32062102000172號